os&y gate valve
OS&Y (Outside Screw and Yoke) gate valve is a type of gate valve commonly used in fire protection systems and other industrial applications. The “OS&Y” designation refers to the design of the valve stem and its visibility outside the valve body, making it easy to determine if the valve is open or closed.
Specification
● Face To Face Standard: EN558,S3/S14/S15(BS5163,DIN3202),SABS 664/665
● Design Standard: BS EN1171/EN1074-2
● Flanges Standard: BS EN1092-2
● Inspection & testing: BS EN 12266-1
(Other Flange Types available upon request)
● Triple O-Rings stem seal1
USE
● Working Pressure: 16bar
● Working Temperature: -20℃ to 100℃
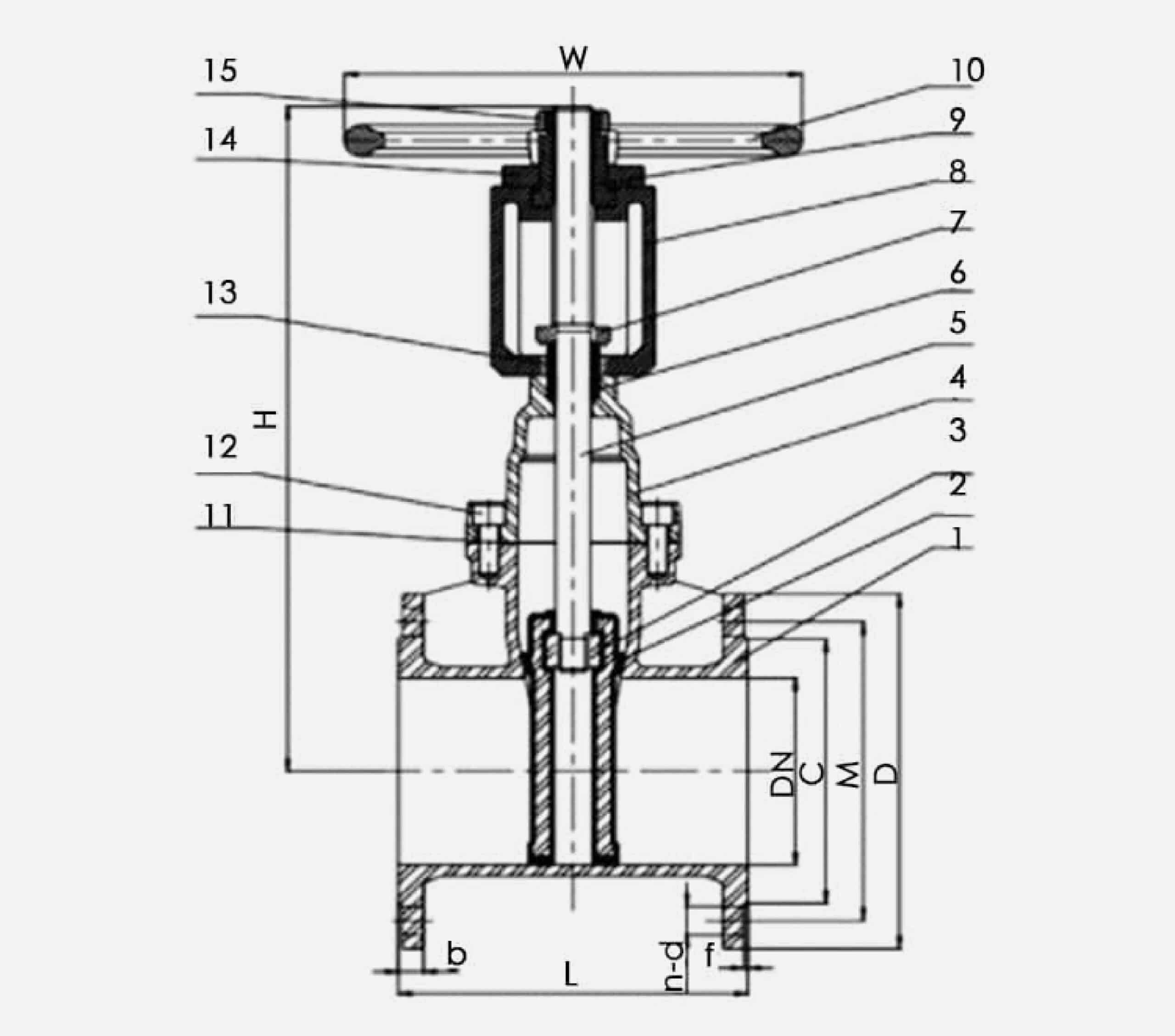
DRAWING
Material
| ITEM | Part | Material |
|---|---|---|
| 1 | Body | Ductile Iron |
| 2 | Wedge | Ductile Iron & EPDM |
| 3 | Wedge Nut | Brass |
| 4 | Bonnet | Ductile Iron |
| 5 | Stem | SS420 |
| 6 | Packing | Flexible graphite |
| 7 | Gland | Ductile Iron |
| 8 | Yoke | Ductile Iron |
| 9 | Stem Nut | Brass |
| 10 | Handwheel | Ductile Iron |
| 11 | Bonnet Gasket | NBR/EPDM |
| 12 | Bonnet /Gasket Bolt | CS With ZINC Plated/SS304 |
| 13 | Regulating Sleeve | Ductile Iron |
| 14 | Gland | Ductile Iron |
| 15 | Nut | Ductile Iron |
DIMENSIONS
(mm)
Flange based on BS EN1092-2 PN16, other flanges is also available upon requirement
| DN | L | H | D | C | M | b | f | W | n-d | |||
|---|---|---|---|---|---|---|---|---|---|---|---|---|
| F4 | F5 | BS5163/665 | 664 | |||||||||
| 50 | 150 | 250 | 178 | 216 | 312 | 165 | 99 | 125 | 19 | 3 | 160 | 4-19 |
| 65 | 170 | 270 | 190 | 330 | 185 | 118 | 145 | 19 | 3 | 160 | 4-19 | |
| 80 | 180 | 280 | 203 | 229 | 390 | 200 | 132 | 160 | 19 | 3 | 250 | 8-19 |
| 100 | 190 | 300 | 229 | 254 | 450 | 220 | 156 | 180 | 19 | 3 | 280 | 8-19 |
| 125 | 200 | 325 | 254 | 522 | 250 | 184 | 210 | 19 | 3 | 280 | 8-19 | |
| 150 | 210 | 350 | 267 | 280 | 598 | 285 | 211 | 240 | 19 | 3 | 350 | 8-23 |
| 200 | 230 | 400 | 292 | 317 | 770 | 340 | 266 | 295 | 20 | 3 | 400 | 12-23 |
| 250 | 250 | 450 | 330 | 356 | 890 | 405 | 319 | 355 | 22 | 3 | 450 | 12-28 |
| 300 | 270 | 500 | 356 | 380 | 1040 | 460 | 370 | 410 | 24.5 | 4 | 480 | 12-28 |
| 350 | 290 | 550 | 381 | 470 | 1165 | 520 | 429 | 470 | 26.5 | 4 | 580 | 16-28 |
| 400 | 310 | 600 | 406 | 470 | 1310 | 580 | 480 | 525 | 28 | 4 | 580 | 16-31 |
| 450 | 330 | 650 | 432 | 485 | 1505 | 640 | 548 | 585 | 30 | 4 | 600 | 20-31 |
| 500 | 350 | 700 | 457 | 510 | 1790 | 715 | 609 | 650 | 31.5 | 4 | 600 | 20-34 |
| 600 | 390 | 800 | 508 | 600 | 1910 | 840 | 720 | 770 | 36 | 5 | 600 | 20-37 |
Working Principle
In a Non-Rising Stem (NRS) Gate Valve, the transmission between the threads on the stem and the stem nut (commonly referred to as the gate or gate nut) is a critical part.
Here’s how the transmission works in detail:
Connection between stem and gate
The stem of the OS&Y gate valve is threaded, and the up-and-down movement of the stem is achieved by rotating the handwheel. One end of the stem is connected to the handwheel, and the other end is connected to the gate.
Valve open
When the handwheel is turned clockwise, the stem moves up, and the gate rises, leaving the seat, and the fluid can flow through the valve.During the upward movement of the stem, you can clearly see the status of the gate (valve open) through the visible parts of the outside screw and yoke.
Valve close
When the handwheel is turned counterclockwise, the stem moves down, the gate descends, and eventually contacts the seat to stop the fluid flow.As the stem moves down, the visible parts of the outside screw and yoke are reduced, indicating that the gate is closed.
Sealing mechanism
The gate and seat is normally metal-to-metal sealing, and sometimes elastic sealing is used to improve the sealing performance.When the gate is completely closed, a seal is formed by close contact to prevent fluid leakage.
Design Features and Structural Components
Design Features
Outside Screw and Yoke (OS&Y) Design
_
The stem is located outside the valve body and fixed by the yoke. The rotation of the stem drives the up-and-down movement of the gate.The threaded part of the stem is visible from the outside, so it is easy to judge the open or closed state of the gate.
Manual Operation
_
Usually, manual operation is done by a handwheel. By rotating the handwheel, you can control the movement of the stem and the gate.Manual operation is simple and reliable, suitable for occasions where manual control is required.
Reliable Sealing Performance
_
The gate and seat are usually sealed metal-to-metal, and some designs use elastic seals to improve sealing performance.When the gate is closed, the gate and seat are in close contact to form an effective seal to prevent fluid leakage.
Robust and Durable Structure
_
The body is usually made of durable materials such as cast iron, ductile iron, bronze, or stainless steel, which can withstand high pressure and harsh environments.
Easy to Maintain
_
Since the stem and threaded parts are outside, they are easy to check and lubricate daily, reducing maintenance difficulty.
Structural Components
Handwheel
_
Used to manually open and close the valve, the stem moves up and down by rotating the handwheel.
Stem
_
Connects the handwheel and gate. The threaded part of the stem is outside the body and moves the stem up and down by rotating the handwheel.
Gate
_
The key component that controls the flow of fluid. When the gate rises, the valve opens; when the gate descends, the valve closes.
Seat
_
The gate contacts it to form a seal to ensure that the fluid does not leak. The seat is usually fixed inside the body.
Yoke
_
Supports and secures the stem to keep it stable during rotation. The yoke is usually connected to the top of the body.
Body
_
Contains all internal components, withstands internal pressure, and connects to the piping system. The body is usually made of durable metal materials.
Packing Gland
_
Located around the stem to prevent fluid from leaking along the stem. The packing gland is usually filled with packing, such as graphite or polytetrafluoroethylene (PTFE).
Nuts and Bolts
_
Used to secure the yoke, handwheel, and other components to ensure that the various parts of the valve are firmly connected.
Bonnet
_
A removable part at the top of the body that provides access to the internal components for maintenance and repairs.
USE
Common Applications and Conditions for OS&Y Gate Valves
1,Fire Protection Systems
_
● Visible operation status:
In fire protection systems, it is crucial to quickly determine the open or closed status of valves. The outside screw design of OS&Y gate valves allows for easy visibility of the valve’s status, helping to ensure that the system operates correctly in an emergency.
● Reliable sealing performance:
Fire protection systems require valves to completely stop the flow of water when closed to prevent leaks and ensure that the pressure and flow rate of the fire water source meet requirements. OS&Y gate valves provide reliable sealing performance.
● Uses and Conditions in Different Environments:
Indoor fire protection pipelines:
Used in building interior fire protection piping systems to ensure the quick and reliable provision of fire water during a fire.
Outdoor fire protection pipelines:
Used to control outdoor fire water sources and meet operating requirements under various weather conditions.
2,Industrial Pipeline Systems
_
● Durability and reliability:
In industrial pipeline systems, valves need to withstand high pressure, high temperatures, and corrosive media. OS&Y gate valves use robust materials and designs to operate stably in harsh environments for long periods.
● Ease of maintenance:
The stem’s exterior design makes daily inspections and lubrication easy, reducing maintenance work and increasing system reliability.
● Uses and Conditions in Different Environments:
Oil and gas pipelines:
Used to control the flow of oil and gas to ensure safe and efficient transport.
Chemical plant pipelines:
Suitable for piping systems that transport corrosive or hazardous chemicals to ensure that the media passes safely and reliably.
Power industry pipelines:
Used to control steam, water, or cooling liquid in power plant systems that can withstand high temperatures and high pressures.
3. Water Supply Systems
_
● Intuitive operation status:
In municipal and industrial water supply systems, valves need to be checked regularly. The design of OS&Y gate valves allows operators to easily determine the open or closed status of the valves, ensuring the normal operation of water supply systems.
● Long-term reliability:
Water supply systems require valves to operate for long periods without leaks or failures. The durable design of OS&Y gate valves meets this requirement.
● Uses and Conditions in Different Environments:
Municipal water supply networks:
Used to control and distribute flow in urban water supply networks to ensure a stable water supply for residents and commercial users.
Industrial water supply systems:
Suitable for water supply systems in factories and industrial parks to ensure a continuous and reliable water supply during production processes.factories and industrial parks to ensure a
4. Power Plants and Stations
_
● High-pressure and high-temperature adaptability:
In steam pipeline systems in power plants and stations, valves need to withstand extremely high temperatures and pressures. The design of OS&Y gate valves meets these harsh conditions.
● Safety:
In power production, the operation status and sealing performance of valves directly affect system safety. The reliability of OS&Y gate valves ensures the safety of system operation.
● Uses and Conditions in Different Environments:
Thermal power plants:
Used in high-temperature and high-pressure steam pipelines to control steam flow to ensure power generation efficiency and safety.
Hydroelectric power stations:
Used to control water flow to ensure stable and efficient operation during power generation.
By analyzing each application in detail, it is clear that OS&Y gate valves have significant advantages in various harsh and critical environments.
Their intuitive operation status, reliable sealing performance, and robust and durable design make them the preferred valve type in various industrial and municipal systems.
Operation
The steps to operate an OS&Y gate valve (using a handwheel as an example) are as follows:
Open the valve
Check the valve
_
Ensure the area around the valve is safe and clear of obstructions.Check that the valve and handwheel are not damaged or loose.
Turn the handwheel counterclockwise
_
Grasp the handwheel with your hand and turn the handwheel counterclockwise. Continue to turn the handwheel until the stem rises completely and the valve is fully open.
Confirm the valve position
_
After the stem has risen completely, ensure the valve is fully open.Check to see if the fluid is flowing properly.
Close the valve
Turn the handwheel clockwise
_
Grasp the handwheel with your hand and turn the handwheel clockwise.Continue to turn the handwheel until the stem descends completely and the valve is fully closed.
Confirm the valve position
_
After the stem has descended completely, ensure the valve is fully closed.Check to see if the fluid has stopped flowing.
Operating precautions
Operate smoothly
_
When turning the handwheel, do so smoothly, without using excessive force, to avoid damaging the valve.
Regular checks
_
Regularly check the valve’s condition to ensure it is not worn or faulty.
Lubrication
_
Regularly lubricate the stem and handwheel to ensure they operate smoothly.
Safe operation
_
When operating the valve, ensure your hands and other parts of your body are kept away from moving parts to avoid injury.
Regular checks: Regularly check the valve’s condition to ensure it is not worn or faulty.
Maintenance and Care
Maintaining and caring for an OS&Y gate valve involves daily checks, lubrication, and part replacement.
Here are the specific steps and recommendations:
Daily Checks
Visual inspection
_
Regularly check the appearance of the valve to ensure there is no obvious damage, rust, or leaks.
Check that the stem is straight and not bent.
Operational inspection
_
Operate the valve regularly to ensure the handwheel turns smoothly and the stem moves up and down normally.
Ensure there are no abnormal sounds during valve opening and closing.
Sealing inspection
_
Operate the valve regularly to ensure the handwheel turns smoothly and the stem moves up and down normally.
Ensure there are no abnormal sounds during valve opening and closing.
Lubrication
Lubricate the stem
_
Regularly apply lubricating grease to the stem, especially if it is frequently operated. Use appropriate industrial lubricating grease.With the valve fully open and closed, apply lubricating grease and rotate the handwheel to distribute the lubricating grease evenly.
Lubricate the handwheel and other moving parts
_
Check the moving parts on the handwheel and yoke to ensure they are adequately lubricated.
Part Replacement
Seal replacement
_
If you notice wear or signs of leakage on the seals (such as O-rings, gaskets, etc.), they need to be replaced promptly.Shut down the system and depressurize it, disassemble the valve, replace the worn seals with new ones, and then reassemble the valve.
Stem and seat replacement
_
If the stem or seat shows obvious wear or damage, they need to be replaced.Make sure to use high-quality, original or compatible parts.
Handwheel and other part replacement
_
If the handwheel is damaged or not operating smoothly, replace it promptly.
Check other parts, such as bolts, nuts, etc., to ensure they are not loose or damaged.
Record maintenance work
Document each check and maintenance task
_
Record the date and details of each check, lubrication, and part replacement to track the maintenance history of the valve.
Develop a maintenance plan
_
Create a regular maintenance plan based on the frequency of use and operating conditions to ensure the valve remains in optimal working order.
By following these steps, you can ensure the normal operation and long life of an OS&Y gate valve.