Saddle Clamp For PE/ PVC Pipe Installation Instruction
We have clearly marked the applicable outer diameter of the main pipeline and the outlet size on each saddle clamp(as below figure). Before installation, please carefully check these markings to confirm they match the outer diameter of the main pipe and the required outlet size. Additionally, inspect all parts of the saddle clamp to ensure they are intact, especially the threaded parts. If necessary, please indicate whether you need thread protection caps when placing your order to prevent damage to the threads.

Step 1
Disassemble all bolts and washers( as left figure)


Step 2
Let the upper part(as left figure 1) and lower part (as left figure 2)of the saddle clamp body around the pipe, and align the centers of the four bolt holes on the upper and lower parts of the saddle clamp body (as left Figure 3 and 4). Please note that if the position of the threaded outlet on the saddle clamp is fixed strictly , firstly you need mark the position on the pipes, then align the center of threaded outlet( as left Figure 5) on the upper part of the saddle clamp body with the outlet center on the pipe. Then, determine the position of the lower part of the saddle clamp body according to the bolt hole center of the upper part. Ensure that the centers of the bolt holes on both the upper and lower parts of the saddle clamp body are perfectly aligned.
Step 3
Place the four washers above the bolt holes on the saddle clamp body upper part(as left figure 1). You should align the washer hole center with the bolts hole center in the saddle clamp upper parts, Then insert the four bolts one by one through the bolt holes of the saddle clamp body upper part and screw them into the threaded holes(as left figure 2) of the saddle clamp body lower part. Please ensure that the force applied to each bolt is as even as possible.


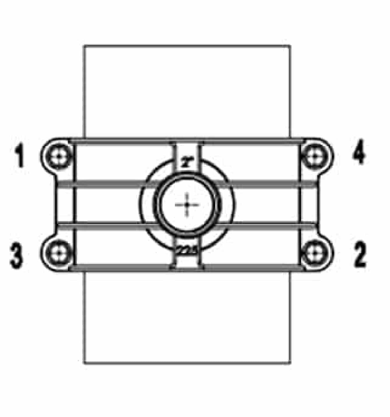
Step 4
Tighten the bolts in the diagonal sequence of 1, 2, 3, and 4 as shown, using a wrench to gradually and evenly tighten them to the specified torque. Please ensure that the torque applied to all four bolts is the same during each step and that the torque increases gradually from small to large in multiple steps.
Step 5
Assembling is finished as below figure.
